Động cơ thang máy TORIN seri GTW

Động cơ thang máy TORIN được sản xuất từ Torin Drive nhà sản xuất động cơ thang máy, linh kiện thang máy, máy nén khí, bộ giảm tốc và các thiết bị truyền động khác. Với động cơ thang máy, được Torin cho ra mắt và đưa vào sử dụng lần đầu vào năm 1985.  Tới nay, Torin Drive đã là nhà sản xuất động cơ thang máy lớn nhất trên thế giới. Tham khảo website về Torin toàn cầu https://torindriveintl.com

Công nghệ và dây chuyền sản xuất tiên tiến, quy trình kiểm soát chất lượng đạt tiêu chuẩn CSA, A17.1, CE các sản phẩm của Torin được bán rộng khắp, nhằm hướng đến nhu cầu đa dạng của khách hàng và thị trường thang máy tại nihều khu vực khác nhau, phù hợp nhiều tiêu chí, chẳng hạn như Asia Series, Europe Series và Bắc Mỹ Series, v.v...

Mỗi ngày, hơn 1 triệu động cơ thang máy Torin đang chạy đồng thời trong các tòa nhà. TORIN DRIVE phấn đấu là nhà sản xuất linh kiện thang máy xuất sắc nhất với mục đích cung cấp dịch vụ hỗ trợ cá nhân và dịch vụ toàn diện cho khách hàng.

Tại thị trường Việt Nam, 2 model Động cơ Torin GTW7Động cơ Torin GTW9 là 2 động cơ thang máy được lắp đặt phổ biến nhất.

Dưới đây là các model dòng GTW và bản thiết kế động cơ TORIN chuyên dụng cho thang máy của hãng sản xuất động cơ lớn nhất thế giới.

video_id

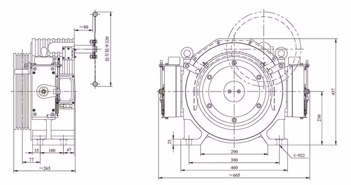
Model: Động cơ thang máy TORIN GTW9

Thông số chính của GTW9:

  • Tải trọng: 630kg - 1150kg
  • Tỉ số truyền: 2:1
  • Đường kính Pully: <=400mm
  • Cân nặng: 350kg
  • Nguồn điện 380v
Bản thiết kế Động cơ thang máy TORIN GTW9

Model: Động cơ thang máy TORIN GTW7

Thông số chính của GTW7: chuyên dùng thang máy gia đình 350kg 

  • Tải trọng: 320kg - 630kg
  • Tỉ số truyền: 2:1
  • Đường kính Pully: 325mm
  • Cân nặng: 205kg
  • Nguồn điện sử dụng 3 pha 380v 50HZ
Bản thiết kế Động cơ thang máy TORIN GTW7

Thiết bị liên quan